JP
EN CN
テレセントリック 両側テレセントリック・照明 マクロ・CCTV Line scan

テレセントリック

MML4-HR65DVI-5M-SW

▪ 使用波長域900-1700nm
▪ 赤外対応のカメラ・照明を組み合わせることで、特殊用途に対応
MML4-HR65DVI-5M-SW
用途
アライメント
高解像検査
アライメント


型式説明


仕様
  • 項目
  • MML4-HR65DVI-5M-SW
  • 倍率
  • 4
  • O/I [mm]
  • 225.1
  • WD (mm)
  • 65
  • 分解能 (μm)
  • 4.8~19.4
  • 被写界深度 (mm)
  • 0.06~0.25
  • NA
  • 0.167~0.041
  • 有効Fno
  • 12.03~48.6
  • イメージフォーマット (mm)
  • 11
  • 光学ディストーション (%)
  • ≤0.037


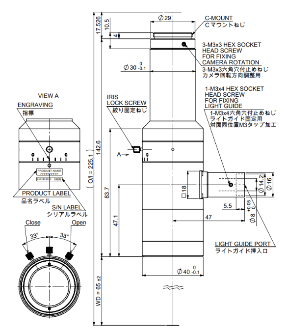
外観図:MML4-HR65DVI-5M-SW
お問合せ

電話:045-913-5800

住所:〒225-0012 神奈川県横浜市青葉区あざみ野南1-3-3.

メール:inside.sales@moritex.com

製品情報
レンズ 照明 ライトガイド コスメ
アプリケーション
半導体 mini/Micro LED LIB FPD ライダー
ニュース
ニュース イベント 新製品お知らせ 生産終了お知らせ
ダウンロード
ダウンロードセンター ISO登録証
企業情報
会社概要 Vision 業務内容 沿革 会社方針 技術・ビジネス コンプライアンス方針 電子公告
お問合せ
ローカルサポート グローバルチーム
採用情報
会社紹介 企業理念

サイトポリシー | プライバシーポリシー | 個人情報保護方針 | @ 2023 MORITEX Corporation