JP
EN CN
テレセントリック 両側テレセントリック・照明 マクロ・CCTV Line scan

テレセントリック

MML1-ZR150DVI-20C

▪ 高分解能、2.74µm/pixelのカメラ素子に最適な光学設計
▪ イメージフォーマット20mm(1.2型センサ)対応
▪ 可変絞りに対応し最適な被写界深度を調整可能
▪ 可視光~近赤外光対応
MML1-ZR150DVI-20C
用途
電子部品:部品検査、基板検査
半導体:ウェハ検査


型式説明


仕様
  • 項目
  • MML1-ZR150DVI-20C
  • 倍率
  • 1
  • O/I [mm]
  • 449.3
  • WD (mm)
  • 150
  • 分解能 (μm)
  • 3.6~10.7
  • 被写界深度 (mm)
  • 0.43~1.28
  • NA
  • 0.092~0.031
  • 有効Fno
  • 5.4~16
  • イメージフォーマット (mm)
  • 20
  • 光学ディストーション (%)
  • ≤-0.006


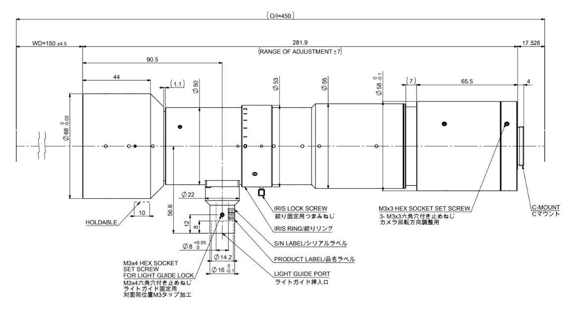
外観図:MML1-ZR150DVI-20C
お問合せ

電話:045-913-5800

住所:〒225-0012 神奈川県横浜市青葉区あざみ野南1-3-3.

メール:inside.sales@moritex.com

製品情報
レンズ 照明 ライトガイド コスメ
アプリケーション
半導体 mini/Micro LED LIB FPD ライダー
ニュース
ニュース イベント 新製品お知らせ 生産終了お知らせ
ダウンロード
ダウンロードセンター ISO登録証
企業情報
会社概要 Vision 業務内容 沿革 会社方針 技術・ビジネス コンプライアンス方針 電子公告
お問合せ
ローカルサポート グローバルチーム
採用情報
会社紹介 企業理念

サイトポリシー | プライバシーポリシー | 個人情報保護方針 | @ 2023 MORITEX Corporation