JP
EN CN
テレセントリック 両側テレセントリック・照明 マクロ・CCTV Line scan

テレセントリック

MML2-HR110DVI-43M58-B

▪ ラージイメージフォーマット(対角28、35、43mm)対応
▪ 高分解能デザイン、3.5um/pixのカメラ素子対応
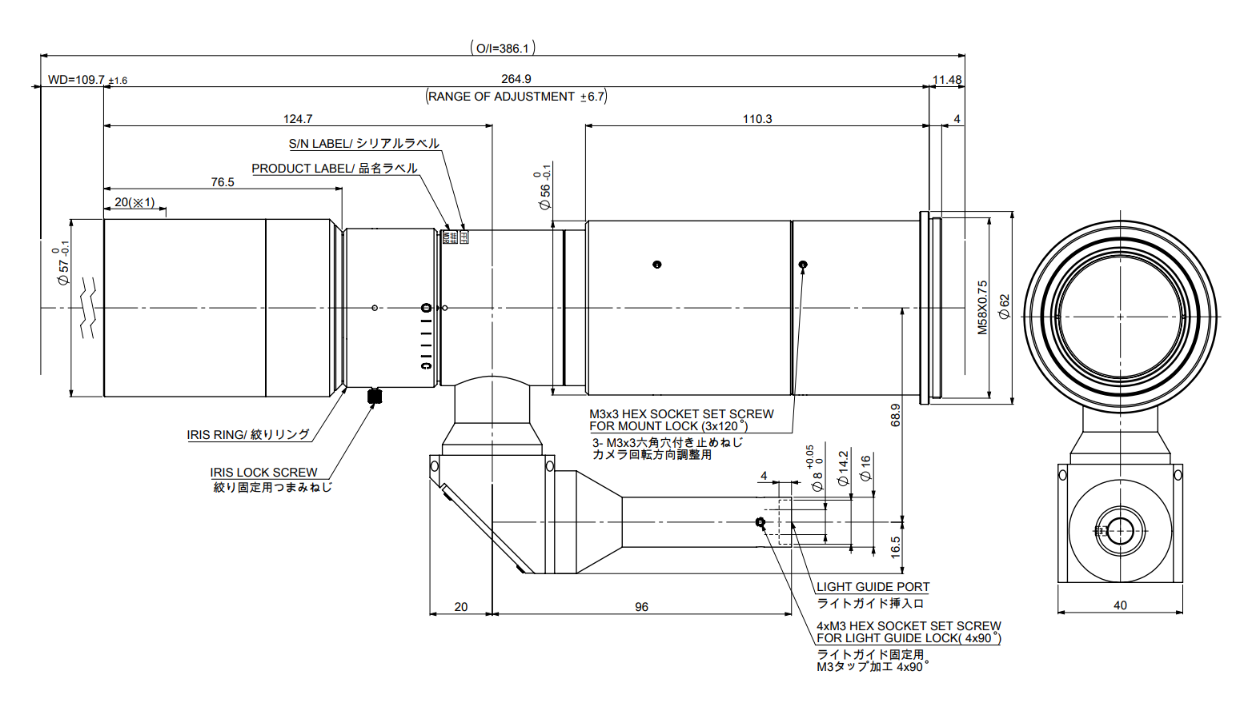
MML2-HR110DVI-43M58-B
用途
液晶 ガラス検査、アライメント
半導体 ウェハーアライメント、ボンディングアライメント
電子部品 部品検査
型式説明
仕様
  • 項目
  • MML2-HR110DVI-43M58-B
  • 倍率
  • 2
  • O/I [mm]
  • 386.1
  • WD (mm)
  • 109.7
  • 分解能(μm)
  • 2.7~7.4
  • 被写界深度 (mm)
  • 0.16~0.44
  • NA
  • 0.125~0.045
  • 有効Fno
  • 8~22
  • イメージフォーマット (mm)
  • 43.5
  • 光学ディストーション (%)
  • ≤-0.028


外観図:MML2-HR110DVI-43M58-B
お問合せ

電話:045-913-5800

住所:〒225-0012 神奈川県横浜市青葉区あざみ野南1-3-3.

メール:inside.sales@moritex.com

製品情報
レンズ 照明 ライトガイド コスメ 機能性材料
アプリケーション
半導体 mini/Micro LED LIB FPD ライダー
ニュース
ニュース イベント 新製品お知らせ 生産終了お知らせ
ダウンロード
ダウンロードセンター ISO登録証
企業情報
会社概要 Vision 業務内容 沿革 会社方針 技術・ビジネス コンプライアンス方針 電子公告
お問合せ
ローカルサポート グローバルチーム
採用情報
会社紹介 企業理念

サイトポリシー | プライバシーポリシー | 個人情報保護方針 | @ 2023 MORITEX Corporation